Sign up for FlowVella
Sign up with FacebookAlready have an account? Sign in now
By registering you are agreeing to our
Terms of Service
Loading Flow

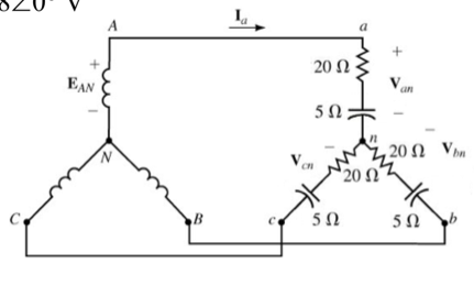
In the circuit on the right, you are given EAB = 208∠0° V.
(a) Determine all phase voltages
(b) Determine all line currents.
Problem 1

